Circuitos: Circuitos eléctricos



Dpto. Tecnología e Informática (IES Néstor Almendros)

1º de Bachillerato

Tecnología Industrial I

Unidad 2: Circuitos eléctricos y electrónicos 

Tema 1: Circuitos eléctricos


Circuito eléctrico
Imagen en Flickr de José L. Montalvillo  bajo CC

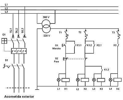
Ejemplo de diseño de un circuito eléctrico con acometida exterior

Revisión: (Desliza el ratón sobre el botón)
Contacto Web: http://about.me/byjosemaria
Contacto Social: Perfil Google
Versión 01, Fecha: 16 Octubre 2013
Autor inicial: C.E.C. Junta de Andalucía
Versión incial ubicada en el repositorio Agrega

Logo Licencia CC-BY-SA
Los contenidos de esta unidad didáctica están bajo una licencia de Creative Commons.

Datos personales